Krótkie pytania i krótkie odpowiedzi.

Wszystko co dotyczy zwykłego utrzymania auta w fabrycznej specyfikacji
Awatar użytkownika
fonderal
Posty: 1280
Rejestracja: 09 października 2014, 10:10
Lokalizacja: WK i WL

Re: Krótkie pytania i krótkie odpowiedzi.

  • Cytuj
  • zaloguj się, by polubić ten post

Post autor: fonderal »

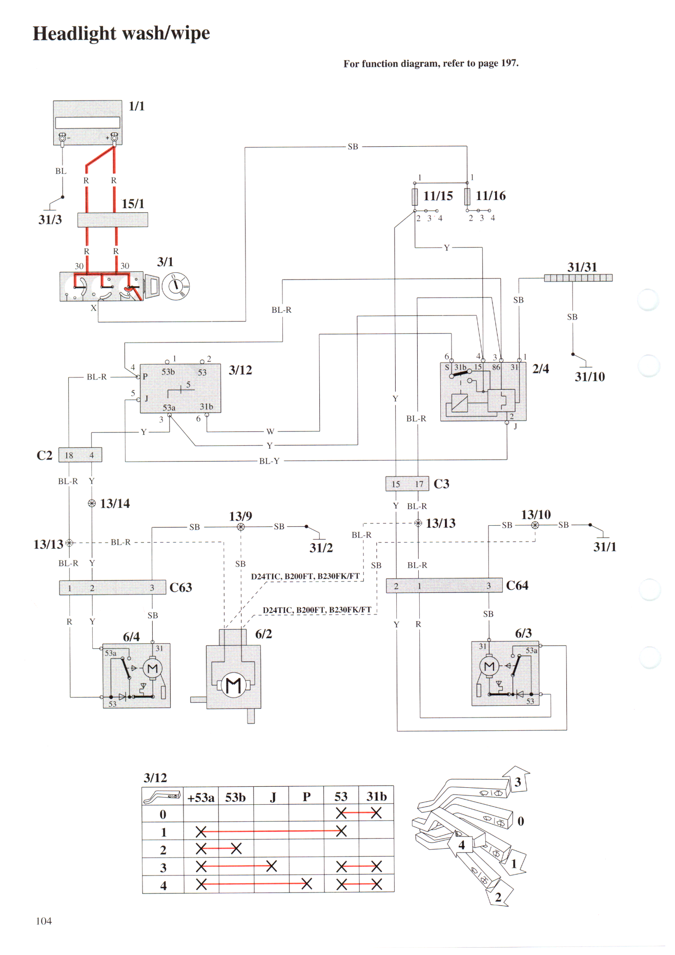
knefel pisze:potrzebuje schematu lub naprowadzenia jak uruchomić wycieraczki przednich reflektorów w 940, silniki sprawne , a działać nie chcą
Wtyczki C63 i C64 są trzypinowe:
strona samochodu --------- strona silniczka
czarny --------- czarny -> (3) masa
żółty --------- żółty -> (2) plus po stacyjce
niebiesko-czerwony---------- czerwony -> (1) impuls uruchamiający wycieraczki (sygnał od spryskiwacza)

Bierzesz żarówkę z kawałkami kabli i sprawdzasz czy się zaświeci:
- między czarnym a żółtym po włączeniu zapłonu,
- między czarnym a niebiesko-czerwonym po uruchomieniu spryskiwacza przedniej szyby.

Jak coś nie gra bierzesz miernik sprawdzasz napięcia:
- na żółtym po włączeniu zapłonu powinno się pojawić napięcie akumulatora,
- na niebiesko-czerwonym napięcie akumulatora pojawia się po uruchomieniu spryskiwacza (zapłon naturalnie włączony).
Zasilanie (żółty) zabezpiecza bezpiecznik 15 (25A). Jak coś jest nie tak z napięciem na żółtym od razu go wymień, na oko może wydawać się dobry.
Teraz niebiesko-czerwony. Jeżeli działa spryskiwacz przedniej szyby, manetka (3/12 na schemacie) jest w porządku. Jeśli mimo to nie ma napięcia na niebiesko-czerwonym, obwód jest gdzieś przerwany i pozostaje szukanie. Niebiesko-czerwony prawej kostki kończy się w skrzynce przekaźników na pinie 86/3 przerywacza wycieraczek (2/4, czarny po prawej w ostatnim rzędzie), a kostki prawej w manetce wycieraczek (3/12, pin P/4).

Przełączasz miernik na omomierz i lecisz z masami, między czarnym a ujemną klemą akumulatora powinno być przejście, no powiedzmy tak do jednego oma. Masy we wtyczkach są podłączone do jeży na bocznych fartuchach w okolicach reflektorów.
Załączniki
wycieraczki.png
wycieraczki.png (672.4 KiB) Przejrzano 5849 razy
7 x
Awatar użytkownika
clarksontop
Posty: 887
Rejestracja: 05 stycznia 2015, 22:28
Lokalizacja: KRA

Re: Krótkie pytania i krótkie odpowiedzi.

  • Cytuj
  • zaloguj się, by polubić ten post

Post autor: clarksontop »

posty fonderala to pwinny byc w jakmis osobnym watku poradnikowym!
6 x
Awatar użytkownika
knefel
Posty: 350
Rejestracja: 21 marca 2016, 19:06
Lokalizacja: Piotrków Trybunalski

Re: Krótkie pytania i krótkie odpowiedzi.

  • Cytuj
  • zaloguj się, by polubić ten post

Post autor: knefel »

dokładnie , w sumie prosiłem o pomoc a teraz mam wszystko na talerzu
stokrotne dzieki !
0 x
Awatar użytkownika
dom?n
Administrator
Posty: 3178
Rejestracja: 01 października 2014, 00:10
Lokalizacja: Poznań
Kontakt:

Re: Krótkie pytania i krótkie odpowiedzi.

  • Cytuj
  • zaloguj się, by polubić ten post

Post autor: dom?n »

clarksontop pisze:posty fonderala to pwinny byc w jakmis osobnym watku poradnikowym!
Byłyby, gdyby tylko użytkownikom chciało się zakładać nowe, dedykowane wątki zamiast pytać w temacie zbiorczym o prawie wszystko ;)
0 x
940 Turbo '91 · dekwadrat · poznańskie klasyki nocą
re5pect pisze: Jeżeli chcesz żeby Twoje RWD dobrze się prowadziło w zakrętach, było szybkie, dobrze hamowało, a to wszystko bez wydawania taczki pieniędzy na modyfikacje to polecam zakup BMW :D
Awatar użytkownika
zzjacek
Posty: 45
Rejestracja: 13 czerwca 2017, 23:10
Lokalizacja: Szczecin

Re: Krótkie pytania i krótkie odpowiedzi.

  • Cytuj
  • zaloguj się, by polubić ten post

Post autor: zzjacek »

Pacjent B230FK, 10kkm po "regeneracji" głowicy i wymianie uszczelki. Dół podobno bez zastrzeżeń.

Ostatnio czasem na zimno wypada zapłon przez kilka sekund po odpaleniu, ale o dziwo gdy to się dzieje zawsze odpala równo, przez chwilę chodzi ok i dopiero to się dzieje.

I nie ma reguły, po 5 dniach stania i odpaleniu przy -7°C potrafi być wszystko ok, a dziś np. po 5 godzinach stania przy 4°C po odpaleniu zapłon wypadał.

Kable Bougicord, świece Volvo wymianie przy robicie głowicy, kopułka stara. W międzyczasie z uszczelnienia po jej stronie lał się olej, uszczelnienie wymieniłem ale kopułkę zostawiłem. Może od niej zacząć?
0 x
Obrazek S80 Executive 2004 D5244T
ex V40 2.0LPT / 945 2.4TD / V70 I 2.5TDI / 764 2.4TD / V70 III 2.0D / 945 2.3Ti
Awatar użytkownika
endriugto
Posty: 3723
Rejestracja: 28 października 2015, 15:26
Lokalizacja: Skórzewo 509 315 886

Re: Krótkie pytania i krótkie odpowiedzi.

  • Cytuj
  • zaloguj się, by polubić ten post

Post autor: endriugto »

endriugto pisze:
xjtdi pisze:
zachatąwujta pisze: Zapamiętajcie sobie. Nie oszczędza się przy montażu tylko PO montażu. I druga zasada. NIE kupuje się samochodów z wynalazkami pod maską. Czy takie wyjaśnienie Ciebie satysfakcjonuje?
Z pierwszym się zgadzam w całej rozciągłości z drugim bym polemizował, tzn. jeśli wynalazki pod maską są fabryczne i były nieudane to rzeczywiście trudno to poprawić natomiast jeśli to dokładane elementy przez poprzednich właścicieli nie widzę przeciwwskazań pod warunkiem, że cena zakupu to rekompensuje.
Prawda jest taka, że każde 20-30letnie auto po zakupie wymaga dość sporego pakietu startowego i nawet jeśli będzie fajna instalka LPG na topowych elementach to co z tego jeśli będą zużyte podzespoły i konieczna będzie i tak wymiana/regeneracja.
Absolutne to że w aucie była instalacja nie było dla mnie priorytetem przy zakupie.
Była więc zdecydowałem się ją ratować. Okazało się że zostałem delikatnie wyprowadzony na manowce przez gazownika który się tym zajmował.
Pytanie do fachowców czy to co pokazałem się stroi? Czy namawiać gazownika żeby jednak się spróbował tym zająć? Czy wystarczy jak wymienię sobie filtry fazy lotnej i ciekłej? Czy na podstawie oględzin parownika jestem w stanie dobrać do niego filtr fazy ciekłej? Filtr fazy lotnej myślę że jakoś rozkminię.
Tak więc.
Pojechałem do tego gazownika co mi to zakładał i też mnie spuścił na drzewo. Powiedział że filtry są czyste więc nie wymieniał a kompa nie podłączał bo przecież nie mówiłem że coś jest nie tak...
Kupiłem filtry i wymieniłem sam. Skontaktowałem się też z producentem instalacji i na szczęście w Poznaniu polecili mi jedynego gazownika który zajmuje się ich komponentami. Od razu mogę polecić Hagar na Lechickiej 100. Chłopaki się podłączyli co zajęło im jednak sporo czasu ale zestroili instalację. Skasowali 40 zł. Auto ożyło. Dużo lepiej się zbiera. Nie szarpie przy zmianie na gaz. Co najciekawsze sprawę którą wiązałem ze skrzynią automatyczną czyli przydławianie przy hamowaniu podczas redukowania biegów też ta regulacja wyeliminowała. Sprawa załatwiona :D
1 x
Awatar użytkownika
endriugto
Posty: 3723
Rejestracja: 28 października 2015, 15:26
Lokalizacja: Skórzewo 509 315 886

Re: Krótkie pytania i krótkie odpowiedzi.

  • Cytuj
  • zaloguj się, by polubić ten post

Post autor: endriugto »

Owiewka bagażnika dachowego mi się ubzdurała do 745. Miał ktoś? Jak to się montuje? Mniej szumi bagażnik?
0 x
re5pect
Posty: 666
Rejestracja: 20 listopada 2014, 21:39

Re: Krótkie pytania i krótkie odpowiedzi.

  • Cytuj
  • zaloguj się, by polubić ten post

Post autor: re5pect »

endriugto pisze:Owiewka bagażnika dachowego mi się ubzdurała do 745. Miał ktoś? Jak to się montuje? Mniej szumi bagażnik?
Chodzi Ci o takie coś?
Obrazek

Jeździłem z tym. Fajnie wygląda, działanie raczej symboliczne ;)

Z zamontowanymi rowerami działanie wręcz żadne.

EDIT: jedna lipa. Te mocowania owiewki mocno ograniczają miejsce montażu np. bagażnika rowerowego. Pamiętam że z owiewką mogłem zamontować tylko 2 bagażniki na rower, co dla mnie było dyskwalifikacją. Bez owiewki 3 rowery na dachu nie stanowiły problemu :)
Pewno przy kombinacjach dałoby się to jakoś obejść.
0 x
Awatar użytkownika
endriugto
Posty: 3723
Rejestracja: 28 października 2015, 15:26
Lokalizacja: Skórzewo 509 315 886

Re: Krótkie pytania i krótkie odpowiedzi.

  • Cytuj
  • zaloguj się, by polubić ten post

Post autor: endriugto »

re5pect pisze:
endriugto pisze:Owiewka bagażnika dachowego mi się ubzdurała do 745. Miał ktoś? Jak to się montuje? Mniej szumi bagażnik?
Chodzi Ci o takie coś?
Obrazek

Jeździłem z tym. Fajnie wygląda, działanie raczej symboliczne ;)

Z zamontowanymi rowerami działanie wręcz żadne.

EDIT: jedna lipa. Te mocowania owiewki mocno ograniczają miejsce montażu np. bagażnika rowerowego. Pamiętam że z owiewką mogłem zamontować tylko 2 bagażniki na rower, co dla mnie było dyskwalifikacją. Bez owiewki 3 rowery na dachu nie stanowiły problemu :)
Pewno przy kombinacjach dałoby się to jakoś obejść.
O to to. Dzięki! Mi chodzi bardziej o aspekty wizualne. Bagażnik mam zamontowany tylko bo pasuje mi do halogenów przed grillem :lol:
0 x
re5pect
Posty: 666
Rejestracja: 20 listopada 2014, 21:39

Re: Krótkie pytania i krótkie odpowiedzi.

  • Cytuj
  • zaloguj się, by polubić ten post

Post autor: re5pect »

Na allegro możesz kupić Yakimę, jest też gościu co robi takie rzeczy na zamówienie, na pewno będzie taniej:
https://www.facebook.com/Owiewka-Bagażn ... 999722732/

U gościa z FB spoko jest to, że możesz poprosić o konkretny rozstaw mocowań, dzięki czemu nadal będziesz miał pełną funkcjonalność belek.
0 x
ODPOWIEDZ