Nie purystą się odezwał który wszystko odszczurza do gołej blachy i aluminium oraz naprawia od podstaw...baron pisze:Już nie bądźcie tacy purysciendriugto pisze:Ustawianie zbieżności z przesuniętą osią? Nawet z mniejszym rozstawem kół na jednej osi jest kłopot... Najsampierw trzeba zrobić geometrię i zlikwidować luzy a później dopiero brać się za zbieżność.baron pisze:
wiadomix.
jest wiele parametrów.
mi chodziło o wskazany przez Ciebie związek panharda ze zbieżnościąjuż widzę jak wszyscy jadą robić geometrię swoimi samochodami dwieście, a fachman na stanowisku regulacyjnym zagłada do tylnej osi po czym m uśmiecha się tylko i pyta co on ma tu regulować?
Poza tym nie chodzi o ustawianie zbieżności, tylko jej rzekomy brak.
VOLVO 240 Red Baron Wagon
Re: VOLVO 240 Red Baron Wagon
0 x
Re: VOLVO 240 Red Baron Wagon
Wieszendriugto pisze:Nie purystą się odezwał który wszystko odszczurza do gołej blachy i aluminium oraz naprawia od podstaw...baron pisze:Już nie bądźcie tacy purysciendriugto pisze: Ustawianie zbieżności z przesuniętą osią? Nawet z mniejszym rozstawem kół na jednej osi jest kłopot... Najsampierw trzeba zrobić geometrię i zlikwidować luzy a później dopiero brać się za zbieżność.już widzę jak wszyscy jadą robić geometrię swoimi samochodami dwieście, a fachman na stanowisku regulacyjnym zagłada do tylnej osi po czym m uśmiecha się tylko i pyta co on ma tu regulować?
Poza tym nie chodzi o ustawianie zbieżności, tylko jej rzekomy brak.
0 x
The Saab 900: built like a Merc, safe as a Volvo and so much cooler than a BMW
Re: VOLVO 240 Red Baron Wagon
Wszystko ok i ja pochwalam ale nazywajmy rzeczy po imieniu do uruchamiania nie trzeba nawet części czyścić a co dopiero malować. I tak mi to nie pasuje takie pieczołowite restaurowanie z przestawioną tylną osią. Tymbardziej że można to łatwo załatwić regulowanym drazkiem Pana Pancharda. Tego drążka też można sobie przy okazji pomalować proszkowo i dać nowe gumybaron pisze:Wieszendriugto pisze:Nie purystą się odezwał który wszystko odszczurza do gołej blachy i aluminium oraz naprawia od podstaw...baron pisze:
Już nie bądźcie tacy puryscijuż widzę jak wszyscy jadą robić geometrię swoimi samochodami dwieście, a fachman na stanowisku regulacyjnym zagłada do tylnej osi po czym m uśmiecha się tylko i pyta co on ma tu regulować?
Poza tym nie chodzi o ustawianie zbieżności, tylko jej rzekomy brak.jak się okazało kupiłem nieruchomość, wiec odszczurzania polega na jej uruchomieniu.
0 x
Re: VOLVO 240 Red Baron Wagon
zasadniczo zależy jak się leży.endriugto pisze:Wszystko ok i ja pochwalam ale nazywajmy rzeczy po imieniu do uruchamiania nie trzeba nawet części czyścić a co dopiero malować. I tak mi to nie pasuje takie pieczołowite restaurowanie z przestawioną tylną osią. Tymbardziej że można to łatwo załatwić regulowanym drazkiem Pana Pancharda. Tego drążka też można sobie przy okazji pomalować proszkowo i dać nowe gumybaron pisze:Wieszendriugto pisze: Nie purystą się odezwał który wszystko odszczurza do gołej blachy i aluminium oraz naprawia od podstaw...jak się okazało kupiłem nieruchomość, wiec odszczurzania polega na jej uruchomieniu.
bo zaciski tylko odczyściłem, nawet nie próbując ich malować - chociaż nie powiem, kusiło
nowe tłoczki, gumki, odpowietrznik, zestaw montażowy i zostaje jak jest.
(komplet 4 tłoczków z gumkami, odpowietrznikami, etc - poniżej 100zł. tak to można!)
one są tak wstydliwie malutkie, że jakbym je pomalował, to jeszcze bardziej podkreślałoby to mikrość.
i śmieszność, patrząc na nie przez felgę 16"
swoją drogą - co pasuje w miarę bezinwazyjnie zamiast seryjnych zacisków?
felgę mam 16", więc nie ma napinki żeby mieścić się w standardowej przestrzeni dla kół 14"
1 x
The Saab 900: built like a Merc, safe as a Volvo and so much cooler than a BMW
Re: VOLVO 240 Red Baron Wagon
Jasne, dwutłoczkowe dwuobwodowe mechanicznie, bez silniczków elektrycznych, cofane np. mikro imadełkiem faktycznie wstyd 
0 x
Kanciaste VOLVO - ZAWSZE w drodze.
Teoria jest wtedy, kiedy wiemy wszystko, a nic nie działa! Praktyka jest wtedy, kiedy wszystko działa, a nikt nie wie dlaczego
Teoria jest wtedy, kiedy wiemy wszystko, a nic nie działa! Praktyka jest wtedy, kiedy wszystko działa, a nikt nie wie dlaczego
Re: VOLVO 240 Red Baron Wagon
chyba Ty!Sinuspi pisze:Jasne, dwutłoczkowe dwuobwodowe mechanicznie, bez silniczków elektrycznych, cofane np. mikro imadełkiem faktycznie wstyd
ja mam, niczym w porządnych niemieckich samochodach typu Porsze czy Wartburg, prawilne, czterotłoczkowe zaciski.
tylko całość taka malutka
0 x
The Saab 900: built like a Merc, safe as a Volvo and so much cooler than a BMW
Re: VOLVO 240 Red Baron Wagon
Pardąąąąom, 4 tłoczkowe w jednym zaciskubaron pisze:chyba Ty!Sinuspi pisze:Jasne, dwutłoczkowe dwuobwodowe mechanicznie, bez silniczków elektrycznych, cofane np. mikro imadełkiem faktycznie wstyd
ja mam, niczym w porządnych niemieckich samochodach typu Porsze czy Wartburg, prawilne, czterotłoczkowe zaciski.
tylko całość taka malutkazabawkowa
0 x
Kanciaste VOLVO - ZAWSZE w drodze.
Teoria jest wtedy, kiedy wiemy wszystko, a nic nie działa! Praktyka jest wtedy, kiedy wszystko działa, a nikt nie wie dlaczego
Teoria jest wtedy, kiedy wiemy wszystko, a nic nie działa! Praktyka jest wtedy, kiedy wszystko działa, a nikt nie wie dlaczego
Re: VOLVO 240 Red Baron Wagon
Epopeja audio:
Sygnalizowałem w innym wątku problemy z radiem. Za każdym razem prosi o kod i nie zapamiętuje stacji.
Postanowiłem zamienić miejscami plusy ( ten stały i ten po stacyjce)
Efekt jest taki, ze radio nadal prosi o kod a po wyłączeniu silnika i wyjęciu kluczyka nie gaśnie jak przed zamianą kabli…
Teraz gra jeszcze około minutę i gaśnie samo… niestety nadal prosi o kod i nie zapamiętuje stacji…
Może dać stały plus na oba kable?
Sygnalizowałem w innym wątku problemy z radiem. Za każdym razem prosi o kod i nie zapamiętuje stacji.
Postanowiłem zamienić miejscami plusy ( ten stały i ten po stacyjce)
Efekt jest taki, ze radio nadal prosi o kod a po wyłączeniu silnika i wyjęciu kluczyka nie gaśnie jak przed zamianą kabli…
Teraz gra jeszcze około minutę i gaśnie samo… niestety nadal prosi o kod i nie zapamiętuje stacji…
Może dać stały plus na oba kable?
0 x
Re: VOLVO 240 Red Baron Wagon
zasadniczo możeszBASSRIDE pisze:Epopeja audio:
Sygnalizowałem w innym wątku problemy z radiem. Za każdym razem prosi o kod i nie zapamiętuje stacji.
Postanowiłem zamienić miejscami plusy ( ten stały i ten po stacyjce)
Efekt jest taki, ze radio nadal prosi o kod a po wyłączeniu silnika i wyjęciu kluczyka nie gaśnie jak przed zamianą kabli…
Teraz gra jeszcze około minutę i gaśnie samo… niestety nadal prosi o kod i nie zapamiętuje stacji…
Może dać stały plus na oba kable?
Zobacz, może to coś pomoże.
1 x
The Saab 900: built like a Merc, safe as a Volvo and so much cooler than a BMW
Re: VOLVO 240 Red Baron Wagon
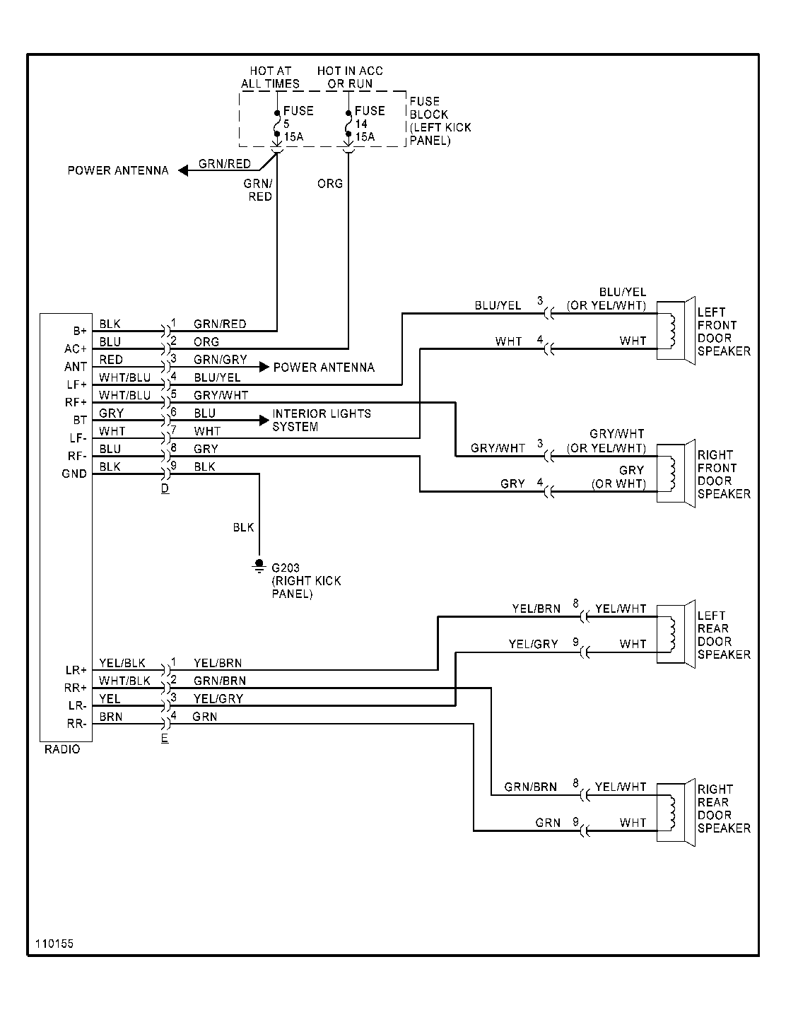
Radio ogarnięte, zawieszenie w sumie tez.
Przyczyną denerwujących stuków z tylu był wydech uderzający o sprężynę zawieszenia. Wlazłem pod auto i zauważyłem ze jedna z gum w środkowej części jest pęknięta. Kupiłem od razu dwie ( 5 zł sztuka) i dziś wymieniłem.
Zastanawiam się tez czy nie wymienić gniazd bezpieczników na nowocześniejsze
Z rzeczy denerwujących nie działa głośnik z przodu po stronie kierowcy
Acha, jeszcze jedno… jadą nowe felgi z epoki
Przyczyną denerwujących stuków z tylu był wydech uderzający o sprężynę zawieszenia. Wlazłem pod auto i zauważyłem ze jedna z gum w środkowej części jest pęknięta. Kupiłem od razu dwie ( 5 zł sztuka) i dziś wymieniłem.
Zastanawiam się tez czy nie wymienić gniazd bezpieczników na nowocześniejsze
Z rzeczy denerwujących nie działa głośnik z przodu po stronie kierowcy
Acha, jeszcze jedno… jadą nowe felgi z epoki
- Załączniki
-
- 87B0BE05-8BDE-416E-AC7B-1731474FD9CF.jpeg (1.17 MiB) Przejrzano 1193 razy
-
- F62FD070-706E-44AA-8C03-CB5A0DE10430.jpeg (305.63 KiB) Przejrzano 1194 razy
1 x